当前位置 : 首页 >应用方案 >MCU应用及方案 >工业通用变频器应用

赋能工业智能化升级 | 基于ACM32 MCU的工业通用变频器方案


近年来,随着智能制造对节能的更高要求,通用变频器在工业领域的应用愈加广泛。变频器是一种先进的调速控制设备,通过对电源频率的控制可以实现对电机转速的精确调节,从而提高设备的性能和节能效果。


变频器概述


变频器(Variable-Frequency Drive,VFD)是应用变频技术和微电子技术,通过改变电机工作电源频率方式来控制交流电动机的电动设备。


对于交流电机而言,其转速表达式为:




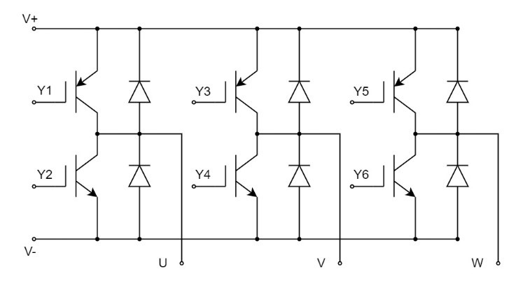
其中,n表示电机的转速,f表示电机电源信号频率,s表示电机的转速差,p表示电机的极对数。从上式可以看出,电机的转速和电源信号频率成正比关系。因此,只更改频率即可改变电机的转速。变频器正是依据该公式来实现对电机的变速控制。通常,变频器由整流电路,滤波电路,逆变电路以及控制电路4个部分组成。外部输入的三相电会经过整流电路和滤波电路得到稳定的直流电。直流电再通过逆变电路得到用以驱动交流电机的三相电。逆变电路一般会选用IGBT来实现,以期得到足够的驱动电流,其电路结构示意图如下图所示:


逆变电路结构示意图


经过整形和滤波之后的直流信号接入到上图的环境V+和V-端,控制电路通过Y1~Y6端口,控制IGBT的开关得到交流电机的三相交流控制信号,以完成对电机的控制。


航芯ACM32 MCU工业变频器方案


针对工业自动化电机驱动需求的客户,上海航芯推出了工业通用变频器应用方案,该方案采用ACM32F4/ACM32G1系列MCU,最高工作频率可达180MHz/120MHz,内置最大512KB的eFlash和最大192KB SRAM。其中ACM32F4带有一个可输出4路带死区的互补PWM信号的高级定时器以及采样速率最高可到2Msps的12位ADC。而ACM32G1带有两个可输出4路带死区的互补PWM信号的高级定时器以及两路采样速率最高可到3Msps的12位ADC。可实现高性能、高精度的电机驱动控制,是工业设备电机驱动控制应用的理想选择。


基于ACM32F4/ACM32G1系列MCU的控制电路结构框图,如下图所示:




控制电路的显示输出,采用SPI接口的LED显示屏。ACM32F4/ACM32G1系列的MCU,其标准SPI通信速率可到50MHz,能及时将显示数据刷新到LED显示屏上。变频器的设置参数有两种设置模式,在脱机情况下,用户可以通过外部按键来设置工作参数。而在线模式下,变频器通过UART接口和上位机相连。用户通过上位机将设定的工作参数输入至设备中,设备运行时,也会将实时工作情况反馈给上位机,以便用户对设备进行实时调整。


逆变电路部分的控制是整个控制逻辑中的核心部分,其本质是通过MCU中的高级定时器输出3对互补PWM信号给到Y1~Y6。利用SPWM技术驱动输出三相交流信号来控制电机工作。而三相交流电的换相操作,则是根据MCU内置的12位的ADC对U,V和W三项进行电流采样来判定换项的时间。ACM32F4系列的MCU,ADC的采样频率能到2Msps,能满足大多数设备的运行需求。而面对高性能需要的应用场合,则可使用ACM32G1系列MCU。该系列MCU有两路ADC,最高采样率为3Msps,采用交叉采样方式提高对信号的采样速率,精确控制换相参数并做出相应的控制动作。